Technical Drawings
図面サンプル
30年以上の実績から生まれた建築金物の設計図面サンプルを
カテゴリ別にご覧いただけます。
50+
図面サンプル
8
カテゴリ
PNG
オンライン閲覧
図面サンプル
各種建築金物の設計図面サンプルをカテゴリ別にご覧いただけます。
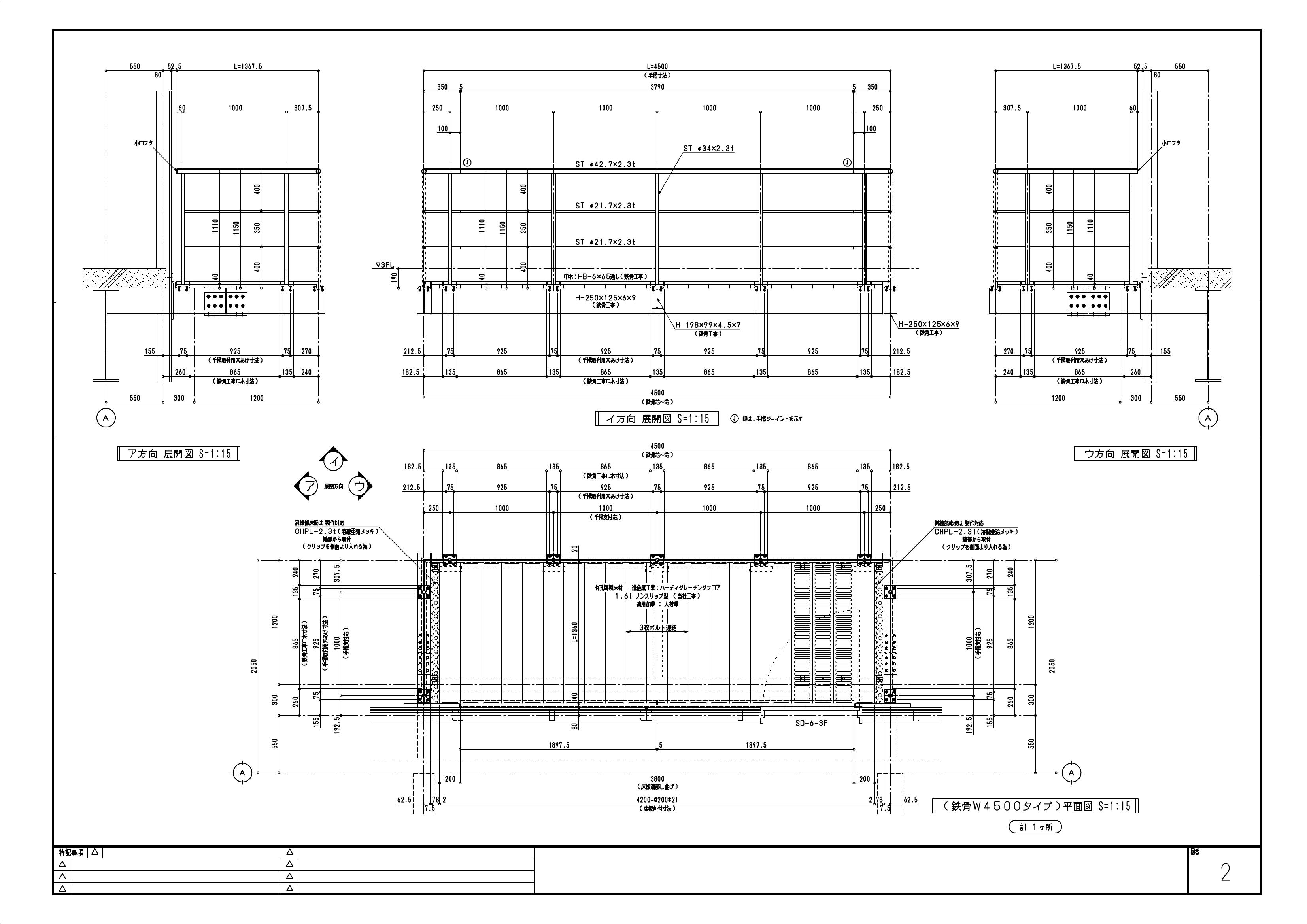
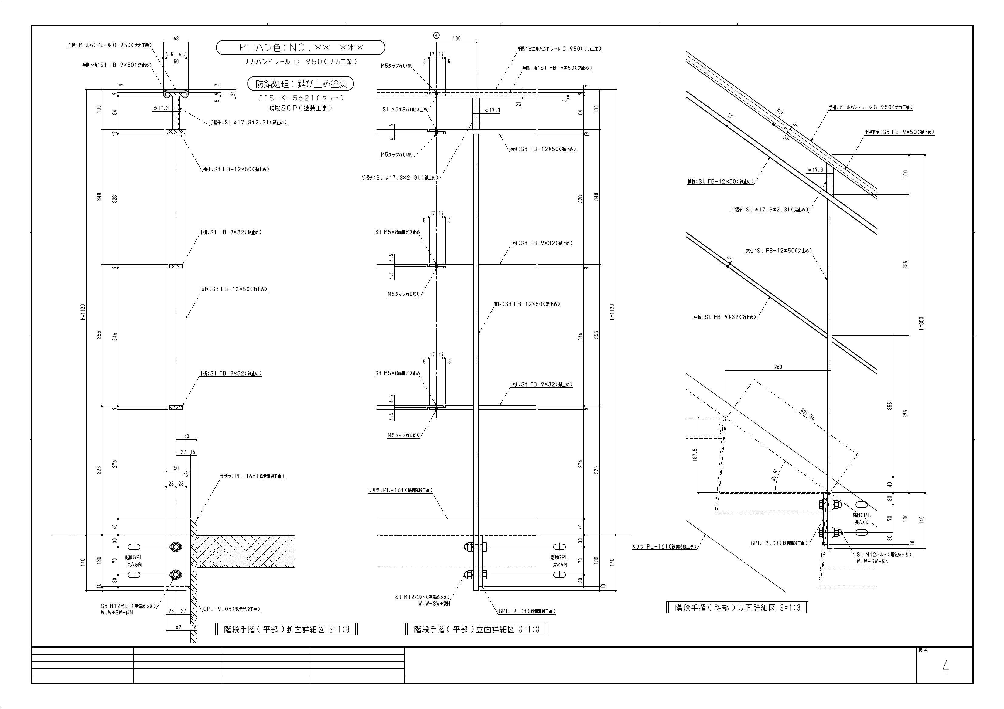
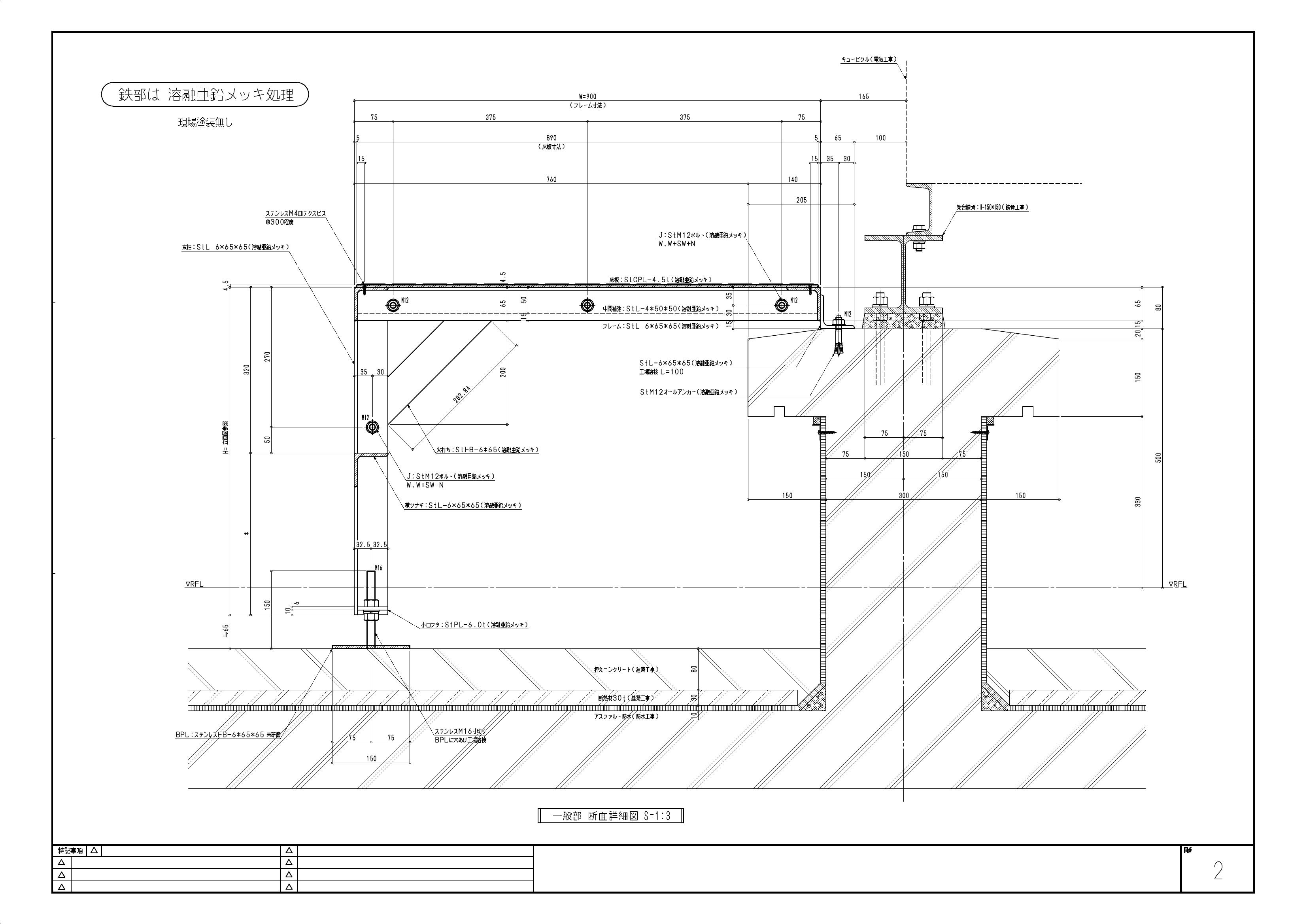
手摺

手摺
避難バルコニー手摺
詳細図面をご確認いただけます。
4 ページPNG
/06.jpg)
手摺
屋外階段手摺(門扉付き)
詳細図面をご確認いただけます。
8 ページPNG
/07.jpg)
手摺
R手摺(門扉付き)
詳細図面をご確認いただけます。
11 ページPNG

手摺
内部階段手摺
詳細図面をご確認いただけます。
8 ページPNG
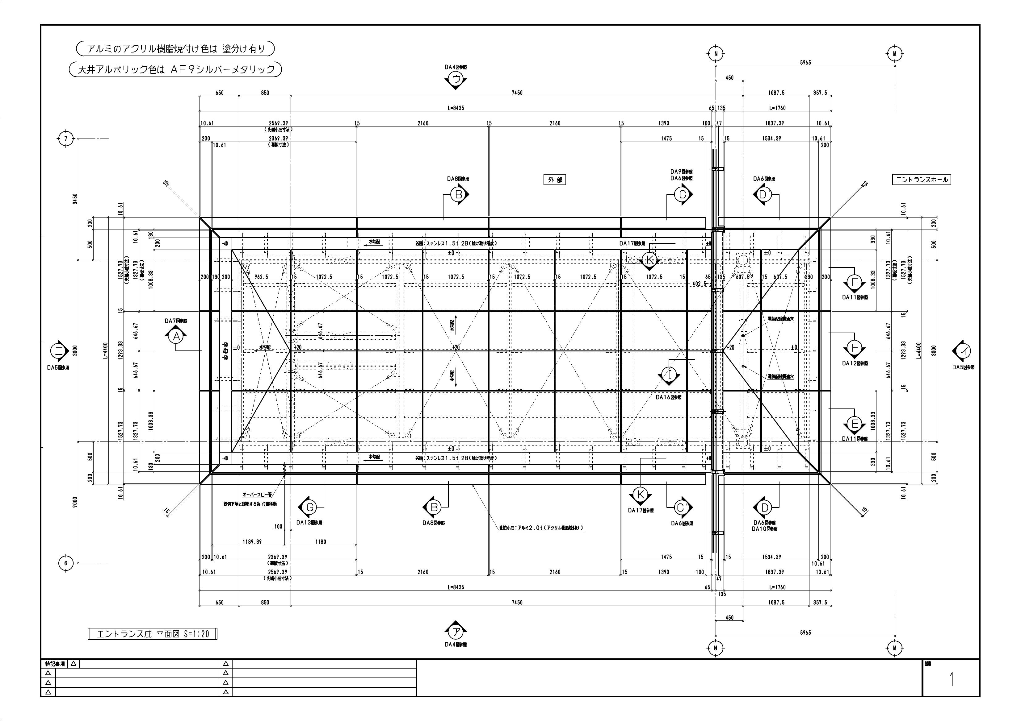
外部パネル、見切り

外部パネル、見切り
庇幕板
詳細図面をご確認いただけます。
6 ページPNG

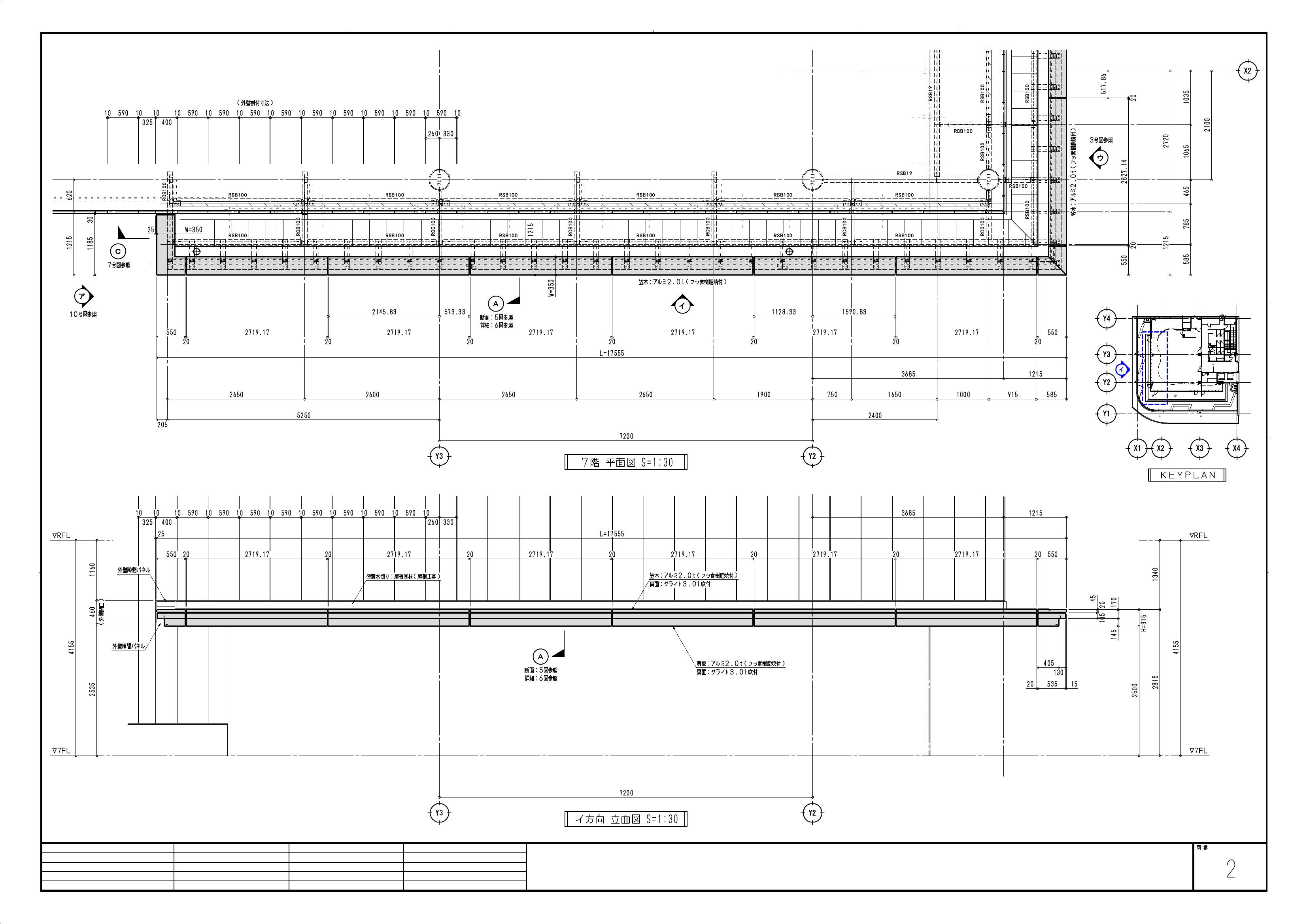
外部パネル、見切り
庇幕板
詳細図面をご確認いただけます。
8 ページPNG

外部パネル、見切り
庇幕板
詳細図面をご確認いただけます。
4 ページPNG

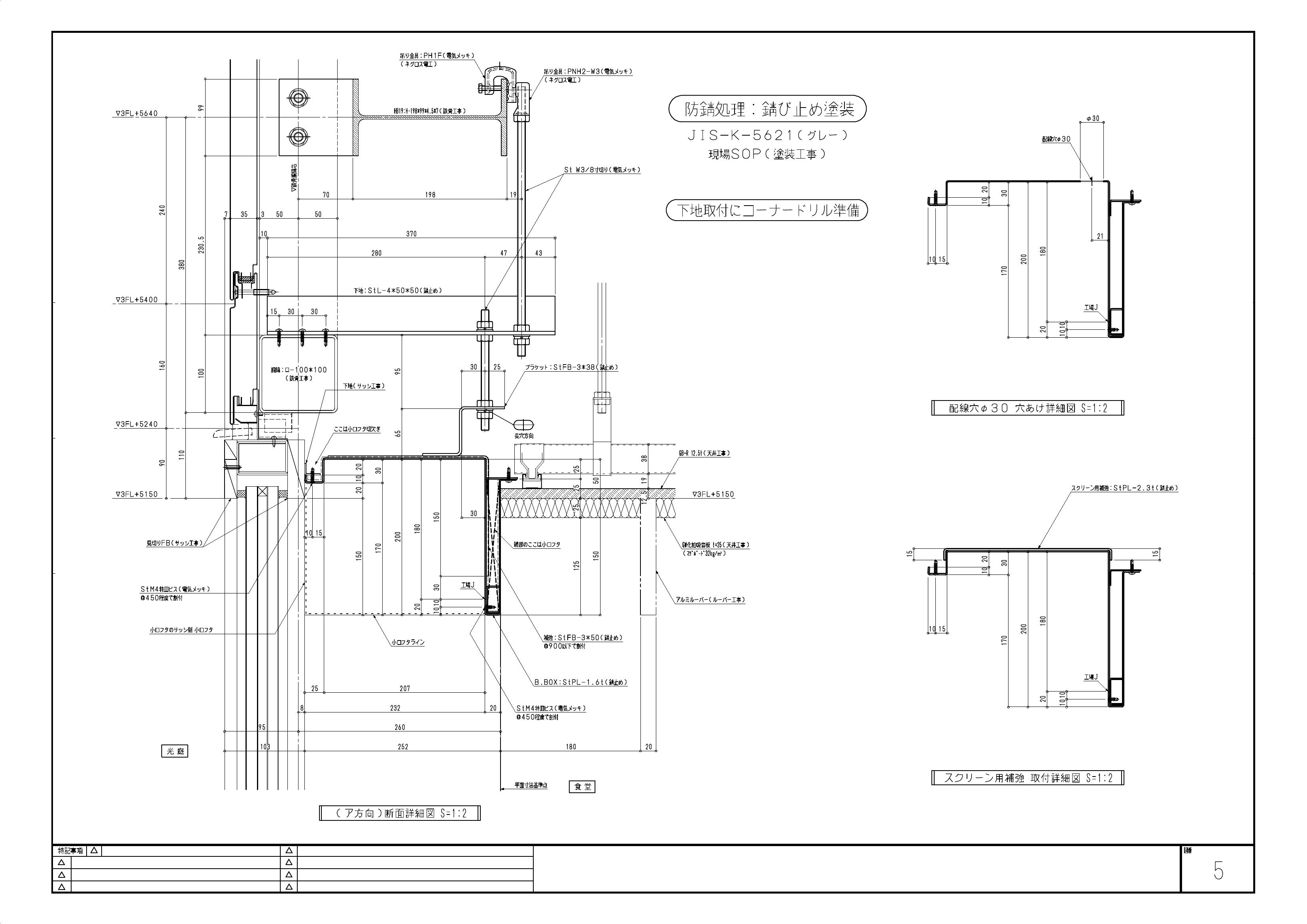
外部パネル、見切り
SS廻り見切り
詳細図面をご確認いただけます。
3 ページPNG
点検歩廊

点検歩廊
点検歩廊
詳細図面をご確認いただけます。
4 ページPNG

点検歩廊
点検歩廊
詳細図面をご確認いただけます。
9 ページPNG
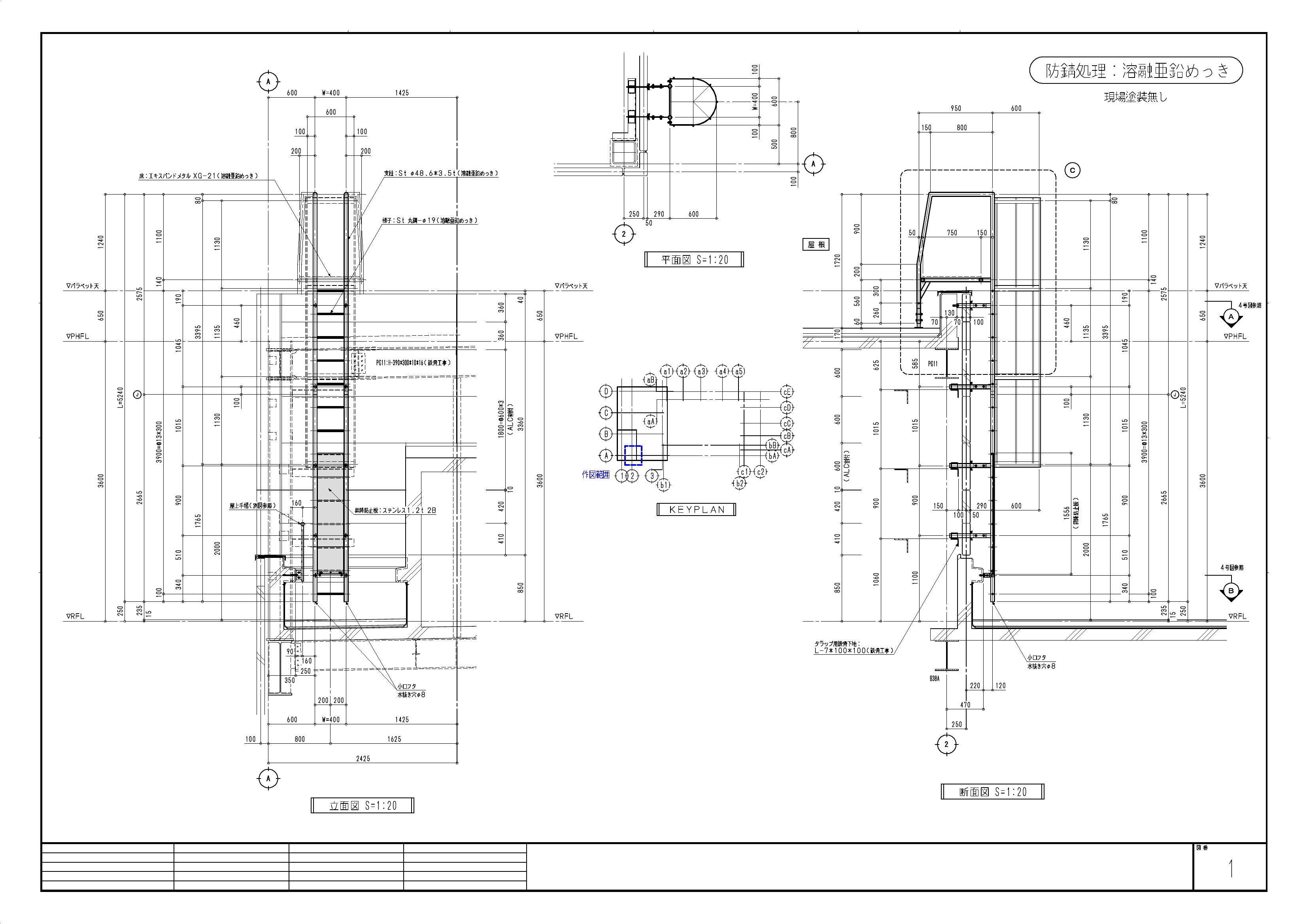
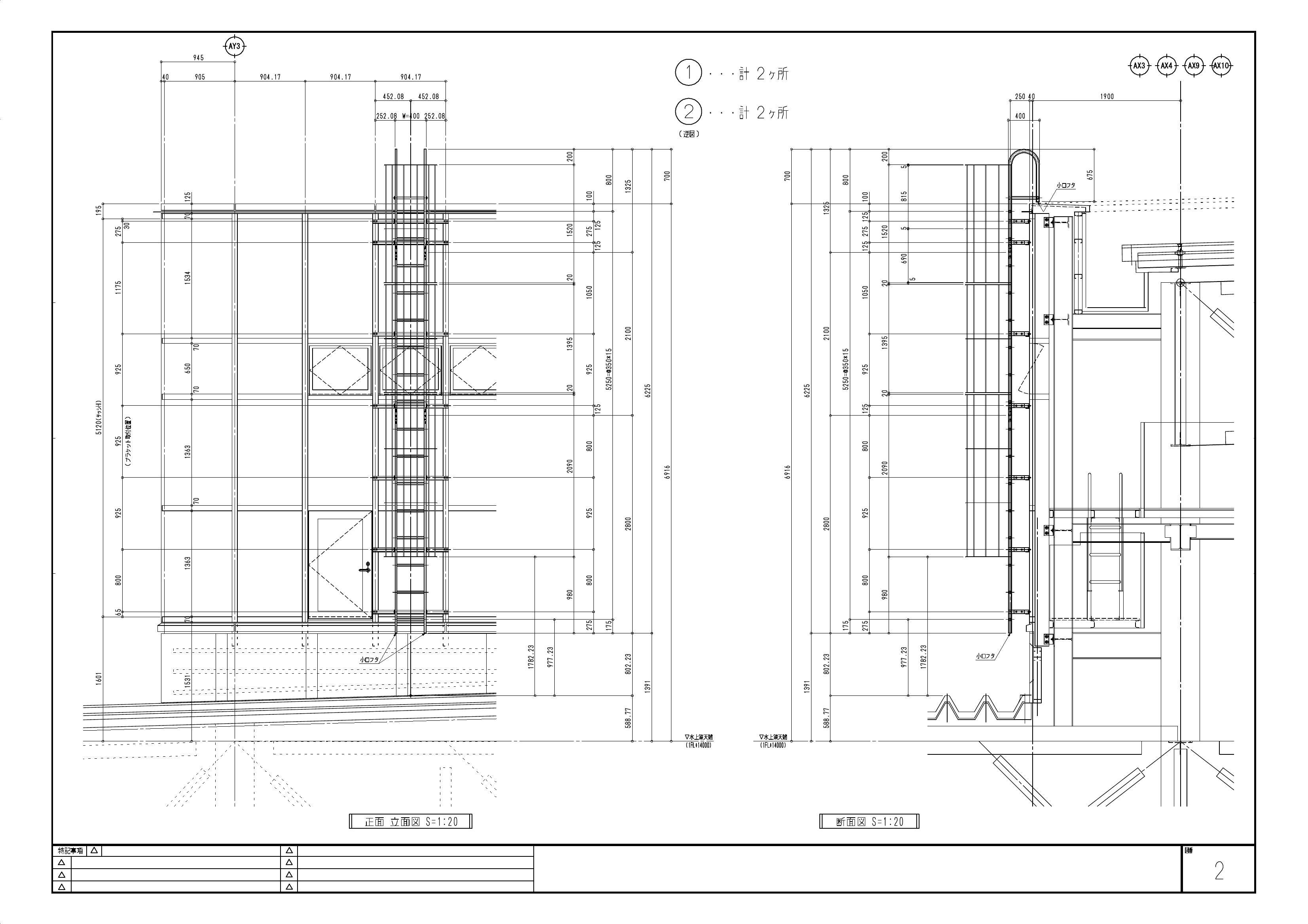
タラップ

タラップ
タラップ
詳細図面をご確認いただけます。
7 ページPNG

タラップ
アルミ既製品タラップ
詳細図面をご確認いただけます。
3 ページPNG
/01.jpg)
タラップ
タラップ(上部点検台)
詳細図面をご確認いただけます。
8 ページPNG
/01.jpg)
タラップ
タラップ(上部歩廊)
詳細図面をご確認いただけます。
8 ページPNG
内部金物

内部金物
ロールスクリーンBOX
詳細図面をご確認いただけます。
2 ページPNG

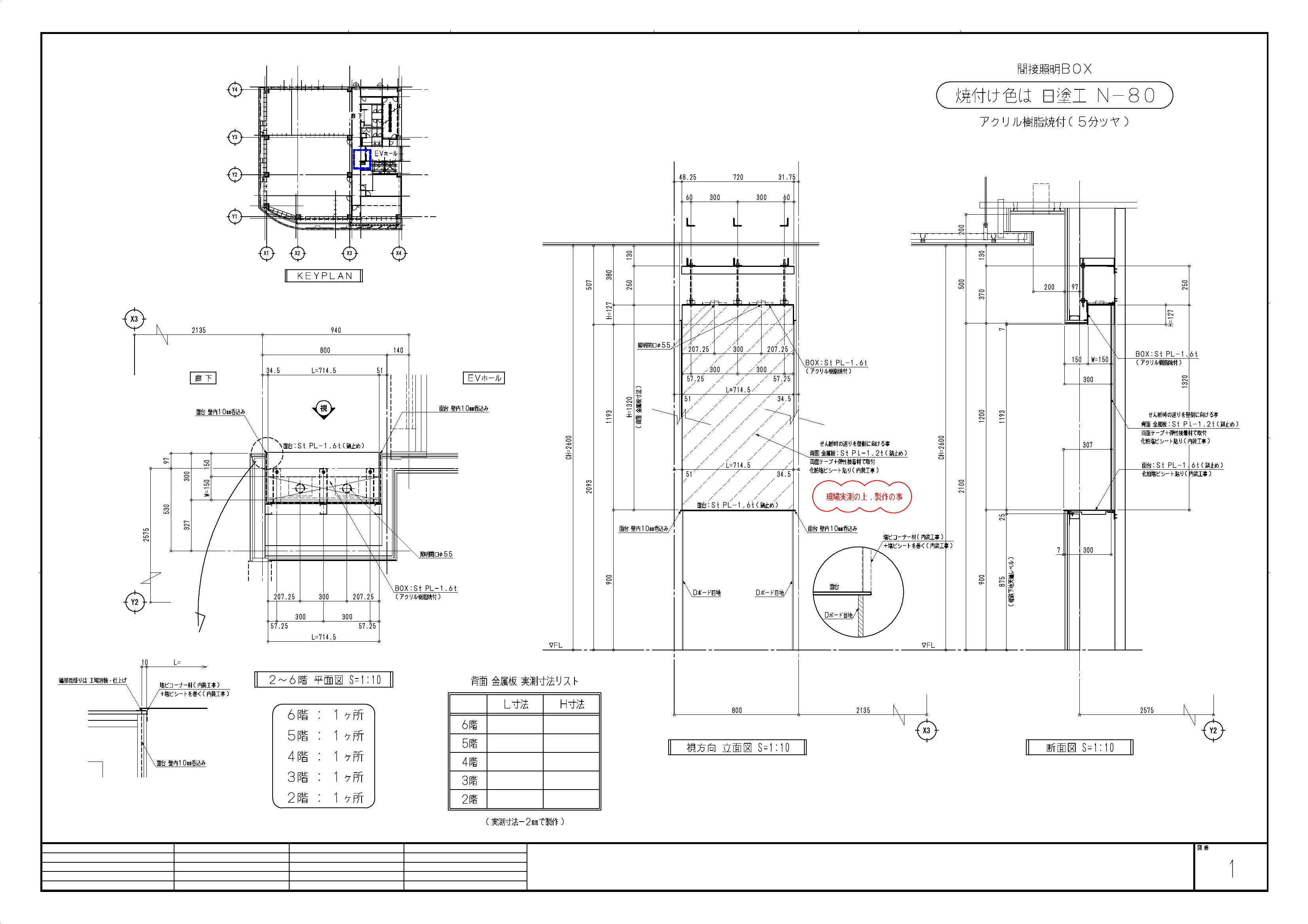
内部金物
間接照明ボックス、面台
詳細図面をご確認いただけます。
3 ページPNG

内部金物
散水栓ボックス
詳細図面をご確認いただけます。
4 ページPNG

内部金物
受付カウンター
詳細図面をご確認いただけます。
3 ページPNG

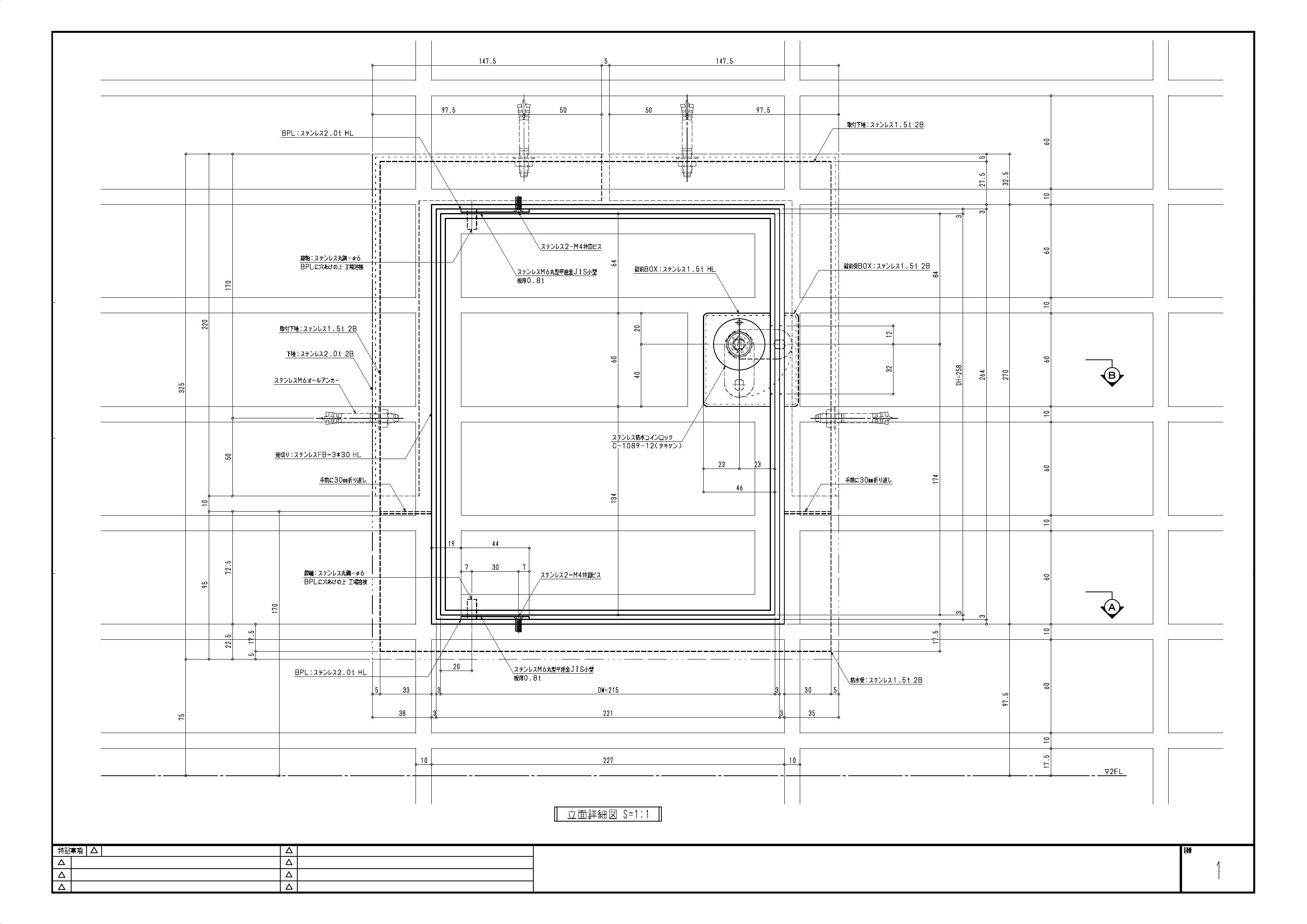
内部金物
ブックポスト
詳細図面をご確認いただけます。
4 ページPNG

内部金物
収納BOX
詳細図面をご確認いただけます。
3 ページPNG
その他 金属工事

その他 金属工事
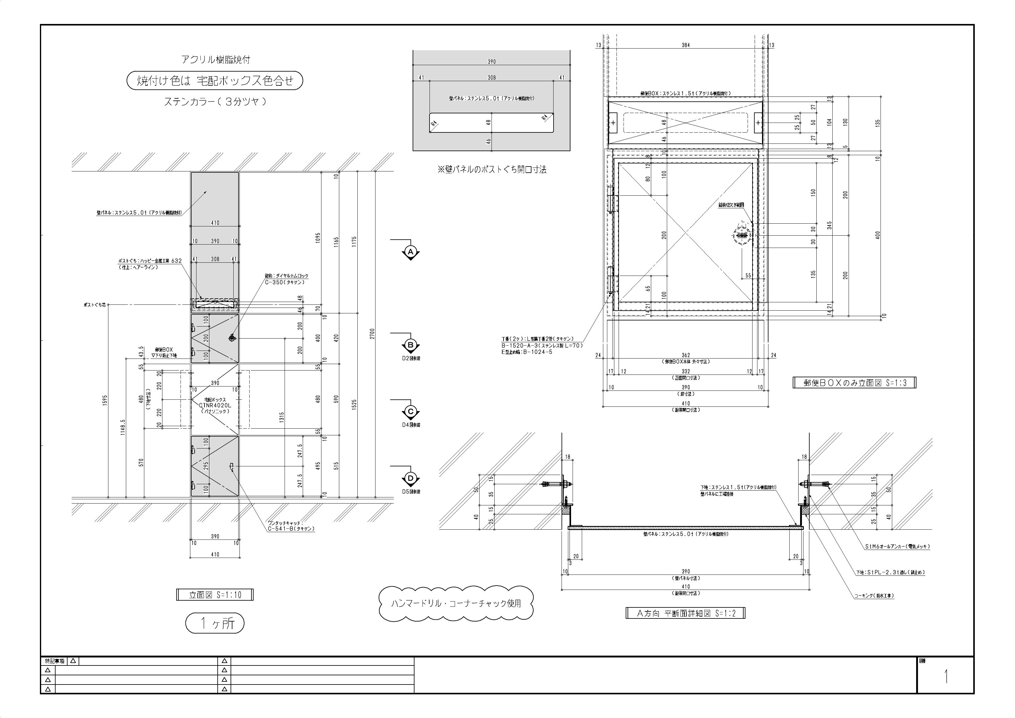
郵便受けプレート
詳細図面をご確認いただけます。
5 ページPNG

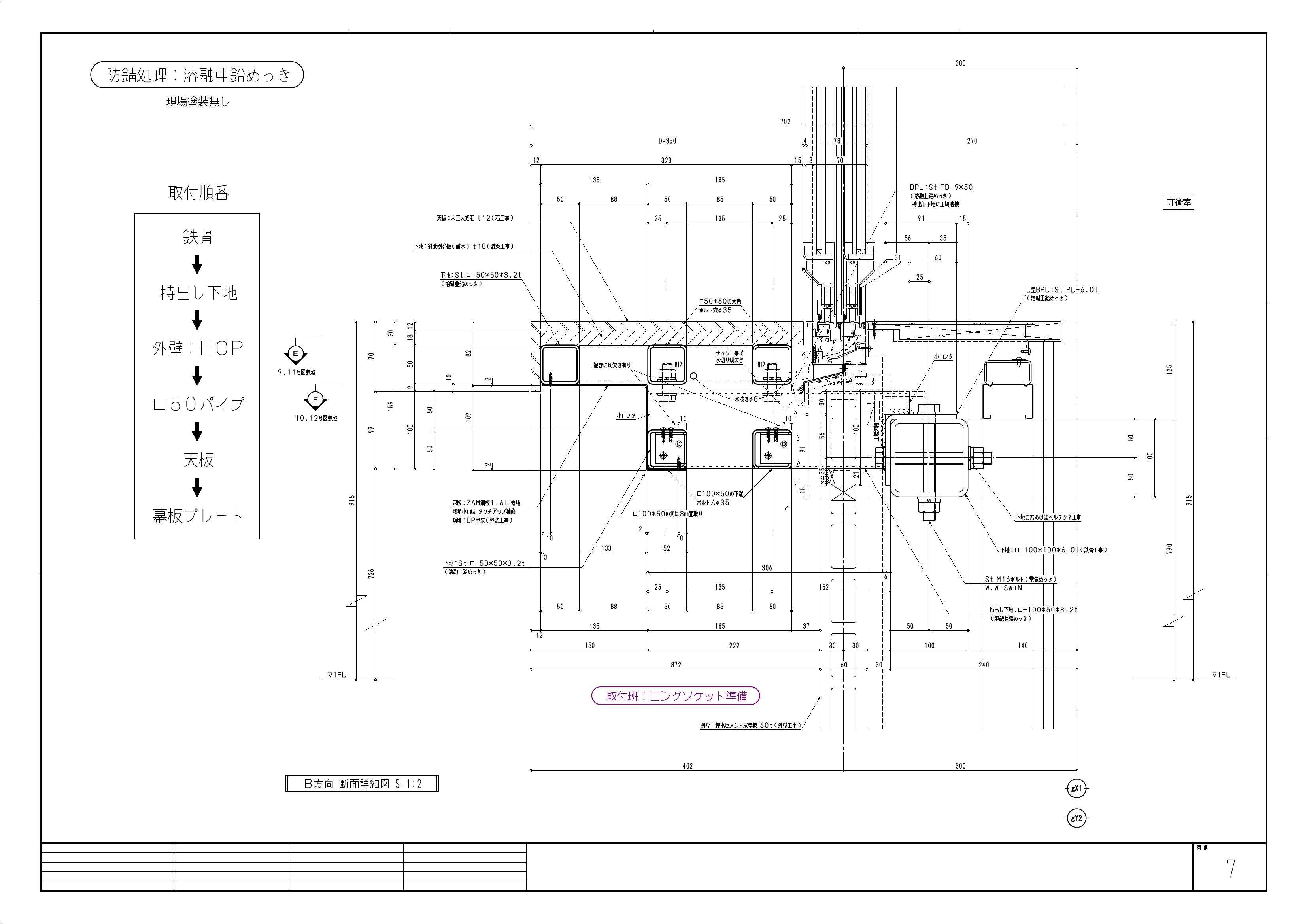
その他 金属工事
連結送水管カバー
詳細図面をご確認いただけます。
10 ページPNG

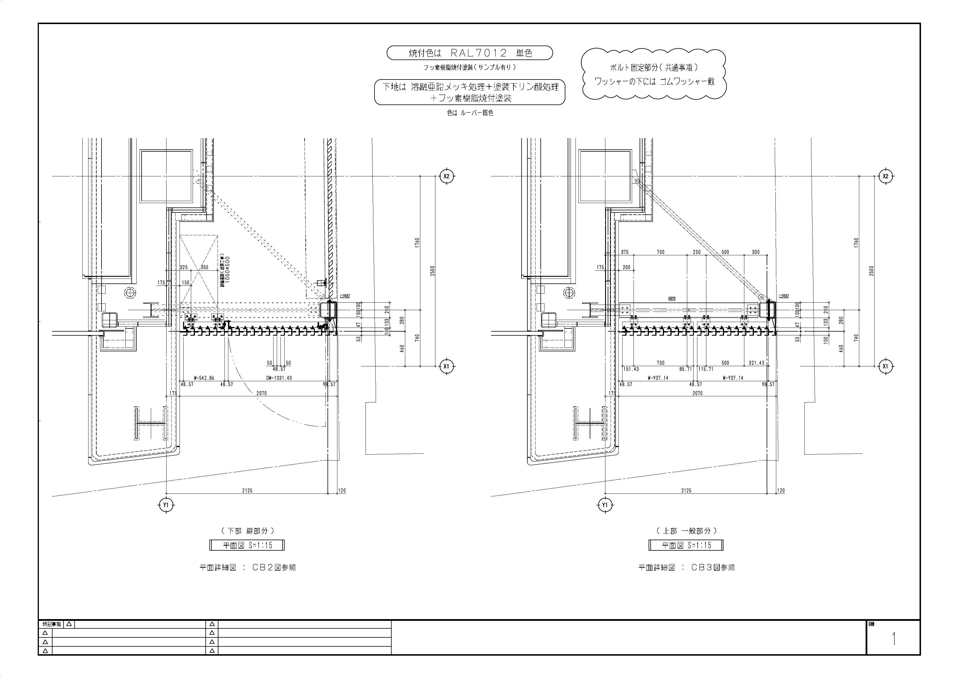
その他 金属工事
目隠しルーバー
詳細図面をご確認いただけます。
5 ページPNG

その他 金属工事
カウンター下地
詳細図面をご確認いただけます。
10 ページPNG

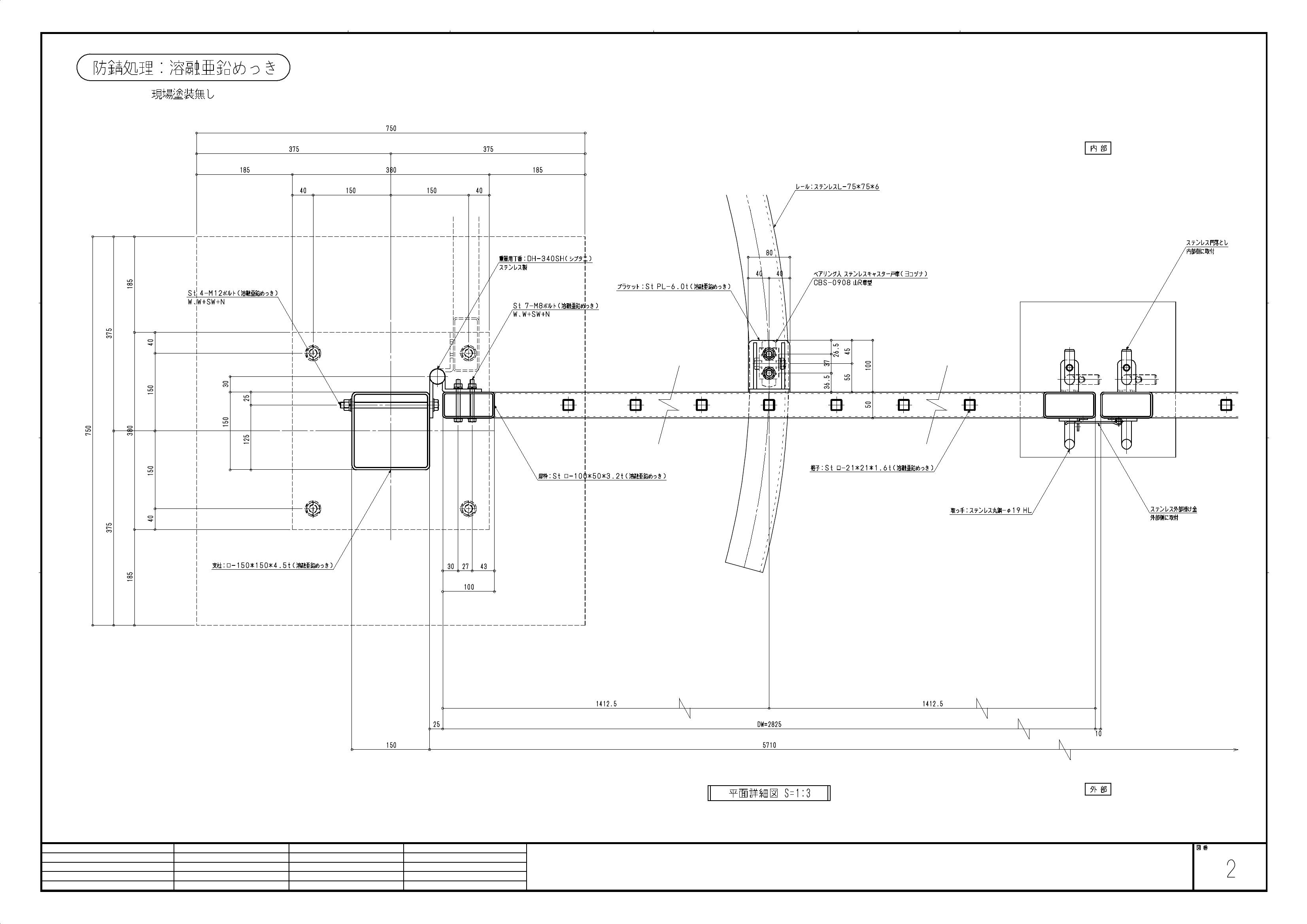
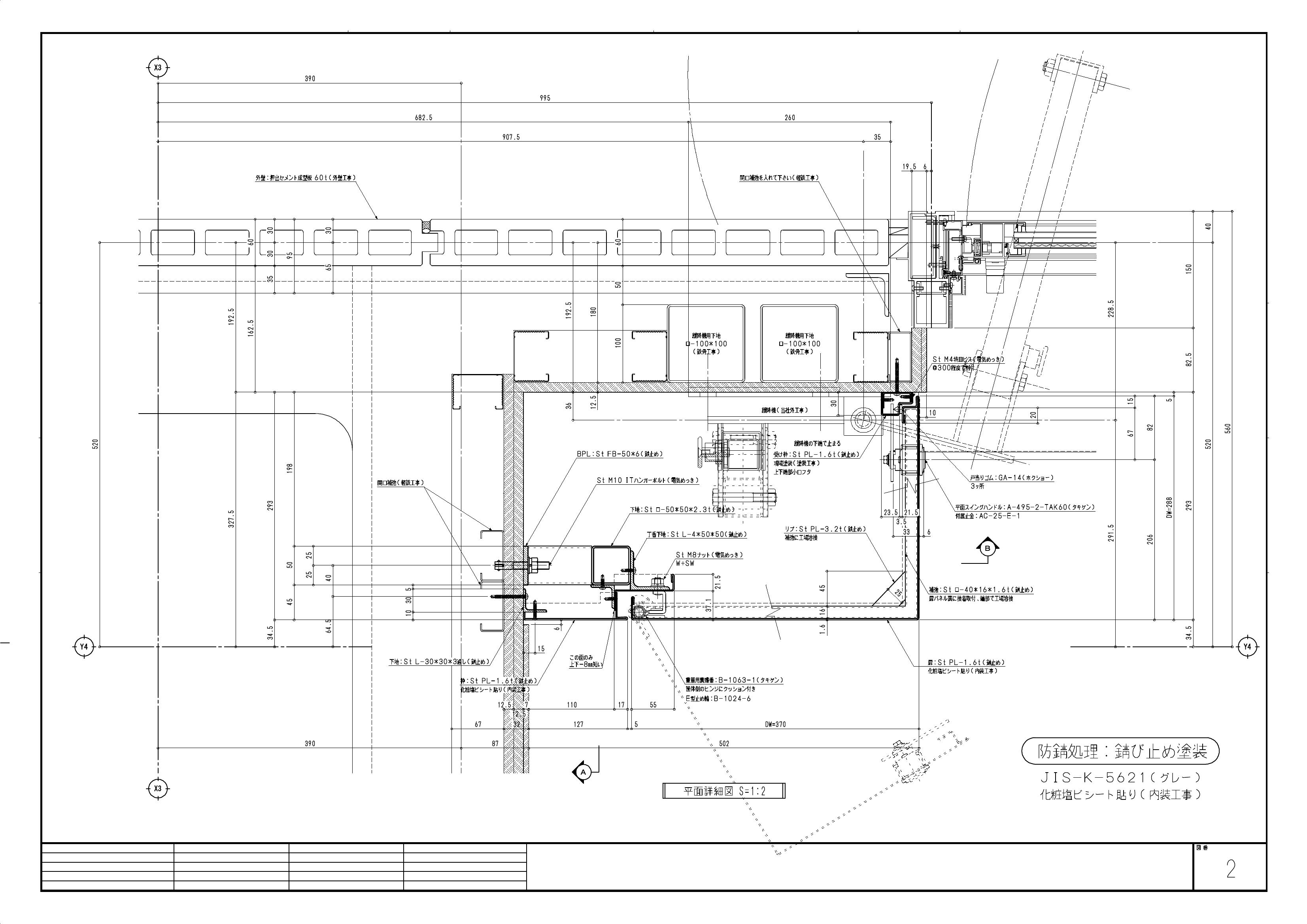
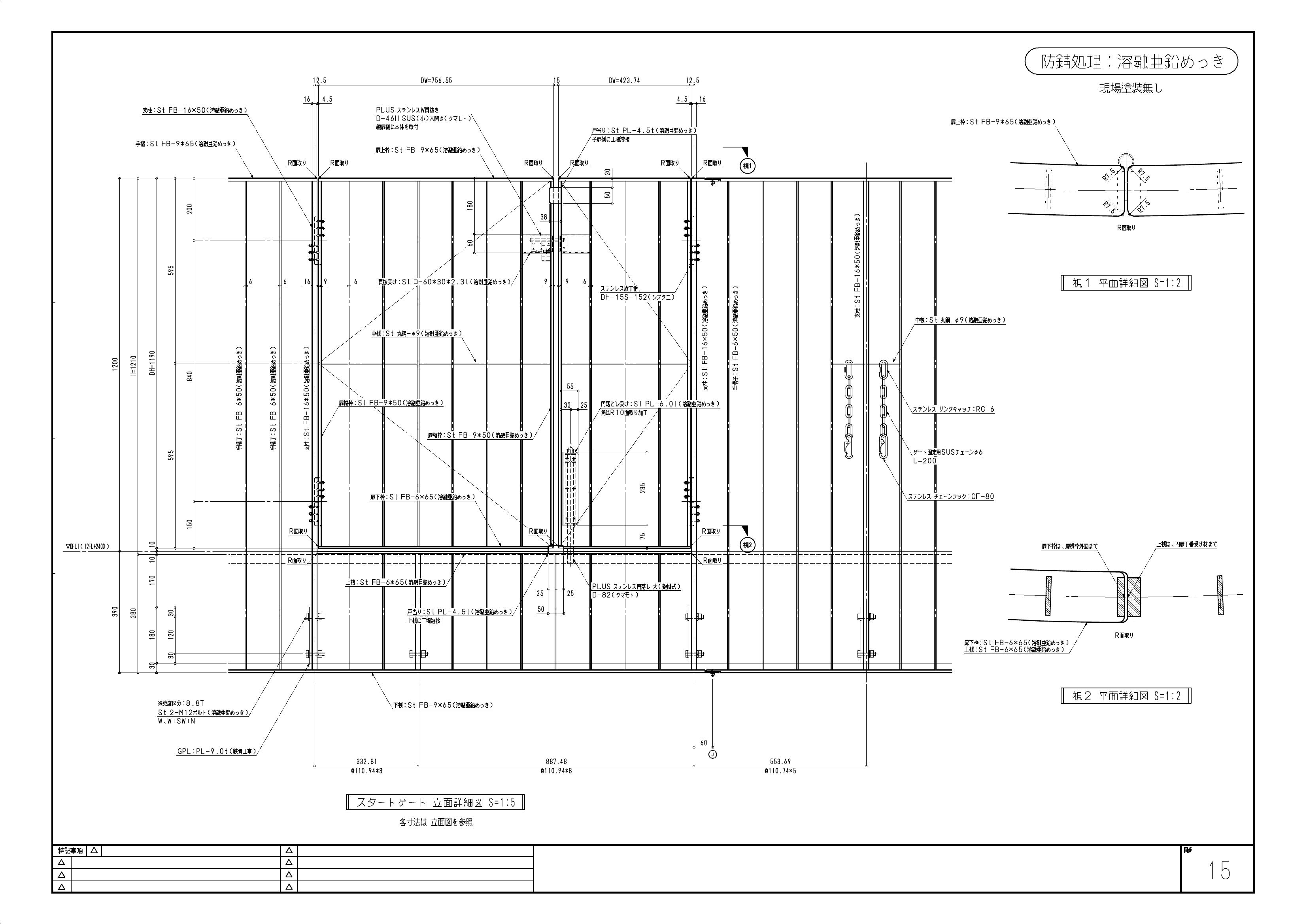
その他 金属工事
外構門扉
詳細図面をご確認いただけます。
5 ページPNG
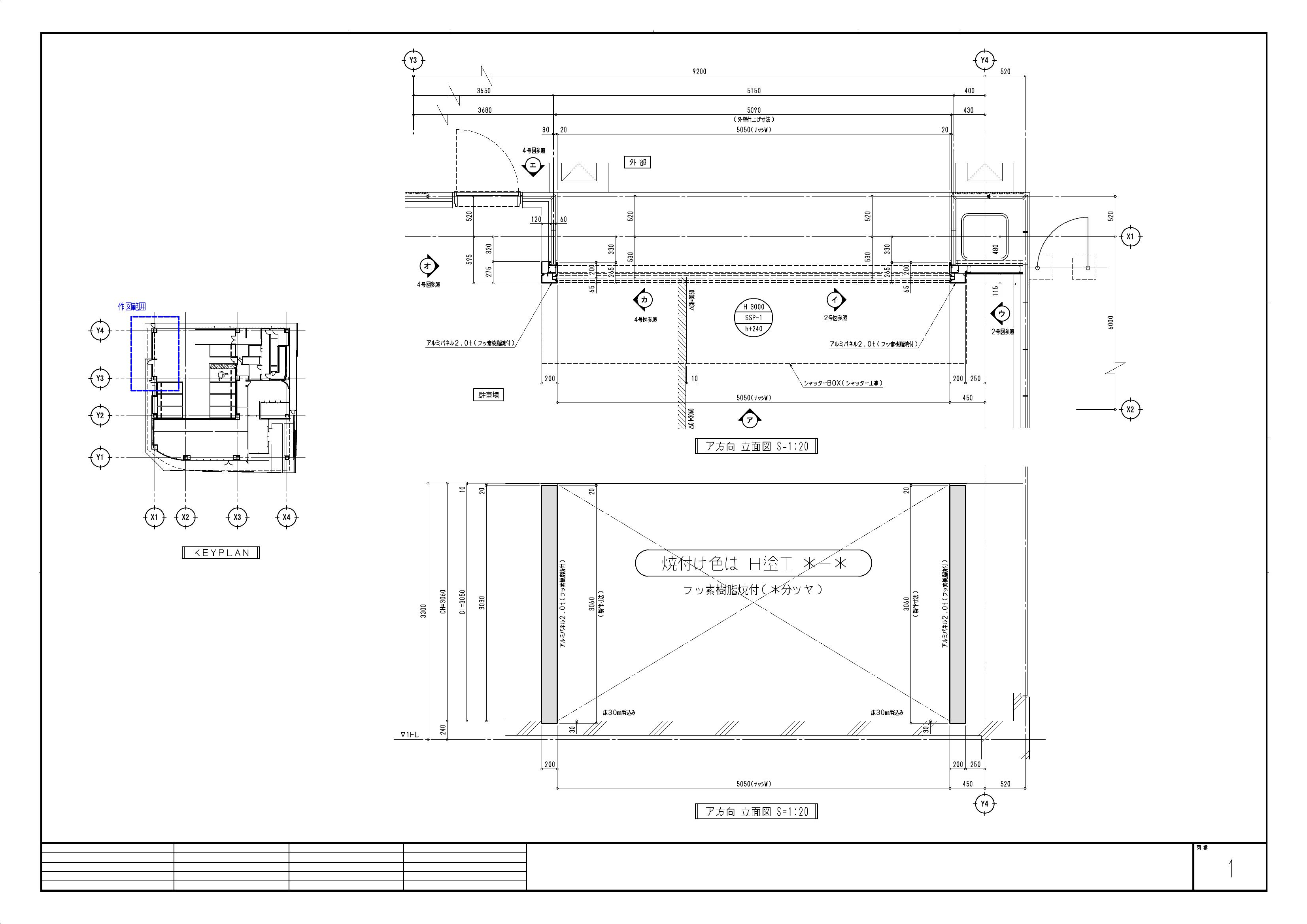
既製品(製作複合図)
/01_既製品アルミ庇/02.jpg)
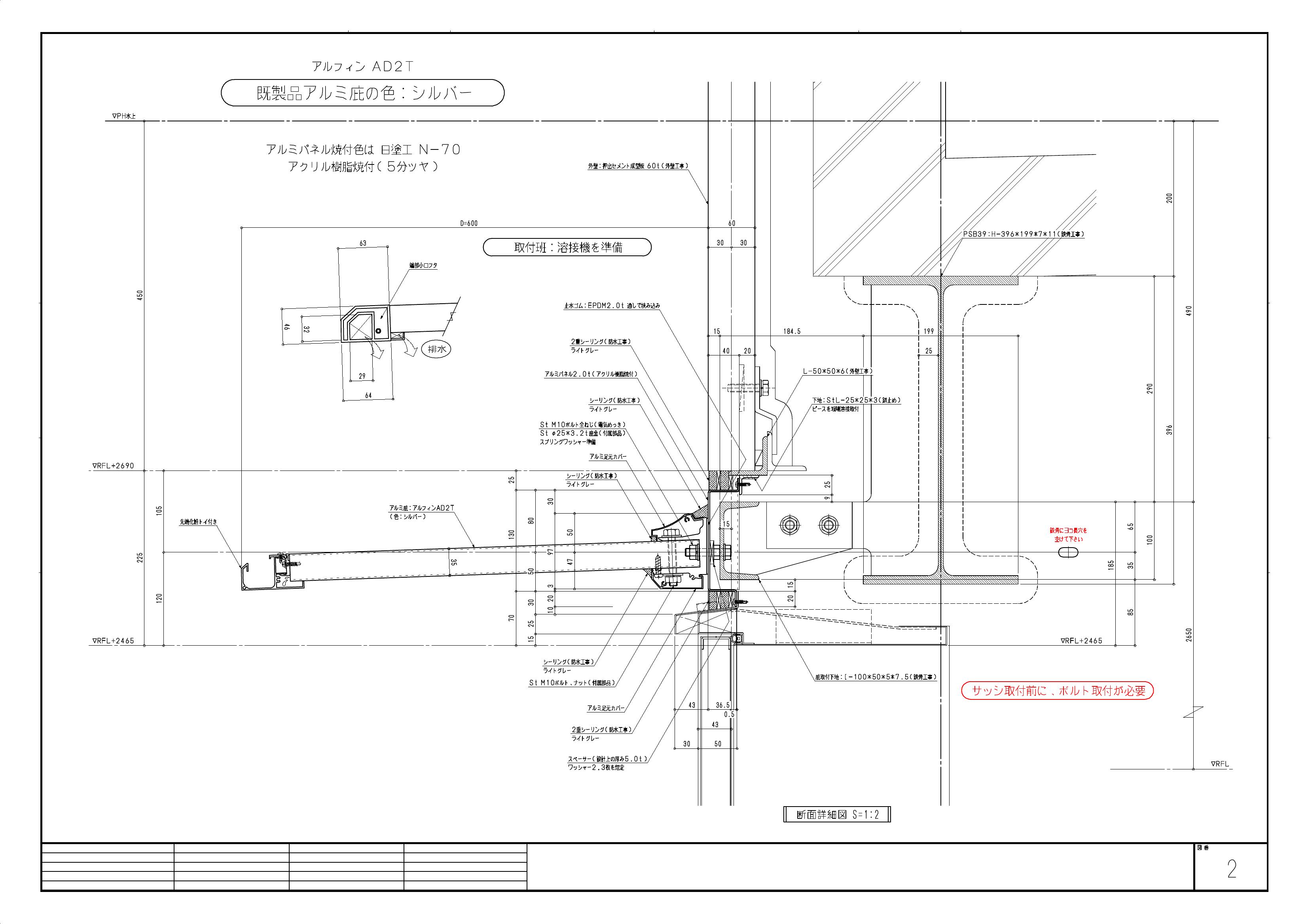
既製品(製作複合図)
既製品アルミ庇
詳細図面をご確認いただけます。
3 ページPNG
/02_既製品アルミ庇/02.jpg)
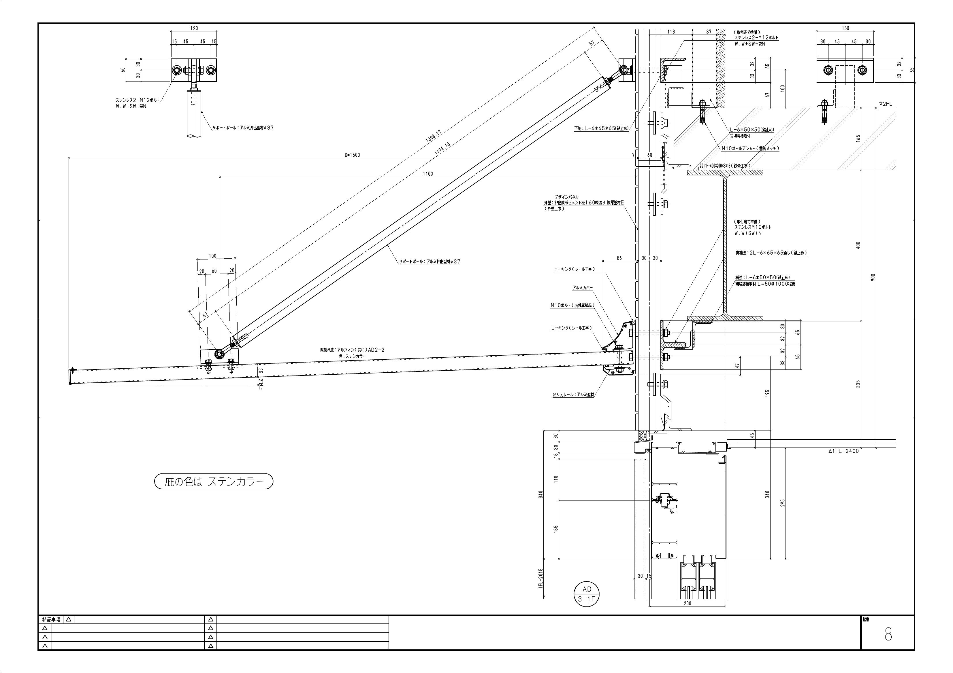
既製品(製作複合図)
既製品アルミ庇
詳細図面をご確認いただけます。
3 ページPNG
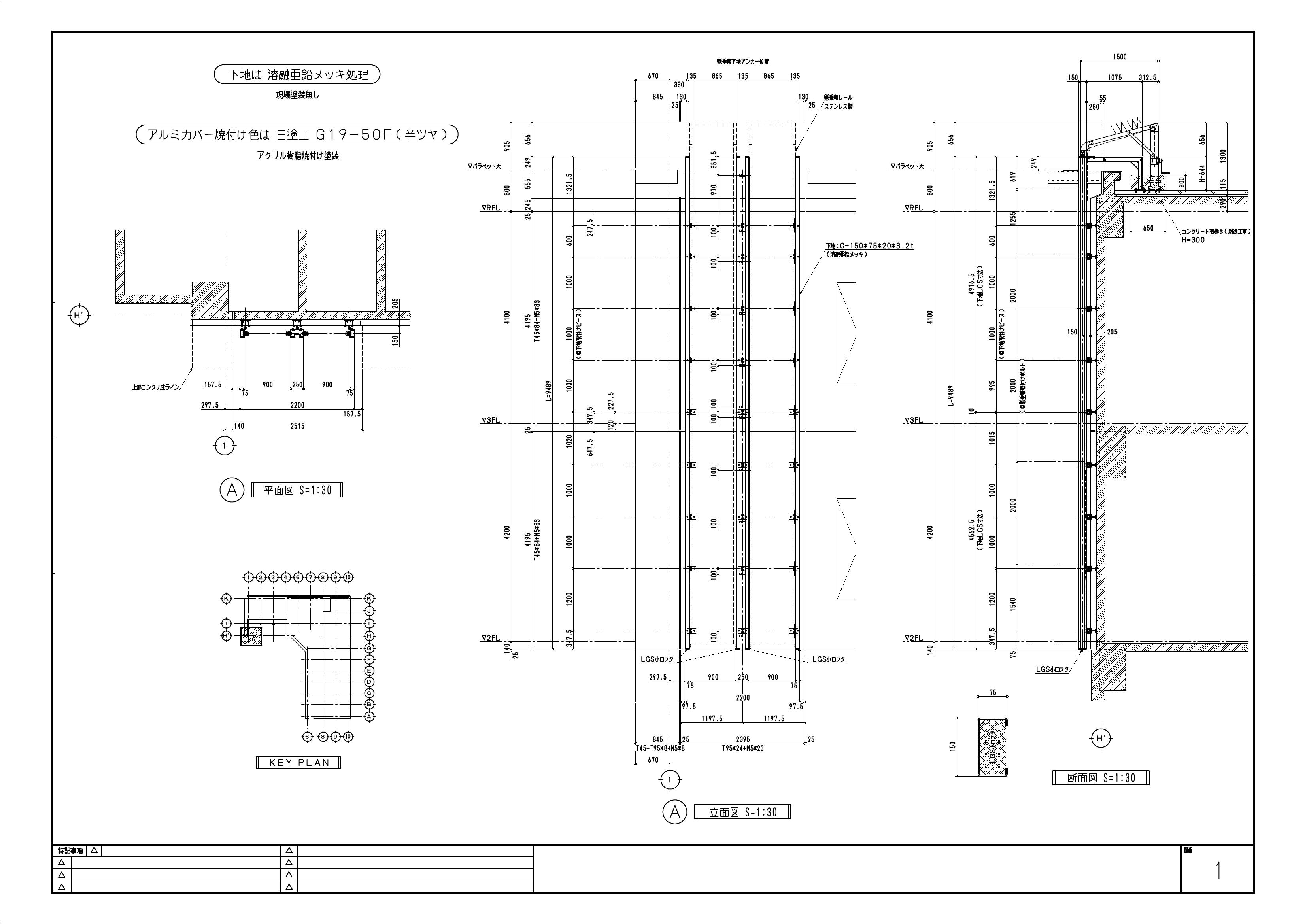
/03_懸垂幕_下地/01.jpg)
既製品(製作複合図)
懸垂幕 下地
詳細図面をご確認いただけます。
7 ページPNG
/04_メッセンジャーワイヤー/01.jpg)
既製品(製作複合図)
メッセンジャーワイヤー
詳細図面をご確認いただけます。
2 ページPNG
/05_壁ルーバー、両開きルーバー扉/01.jpg)
既製品(製作複合図)
壁ルーバー、両開きルーバー扉
詳細図面をご確認いただけます。
7 ページPNG
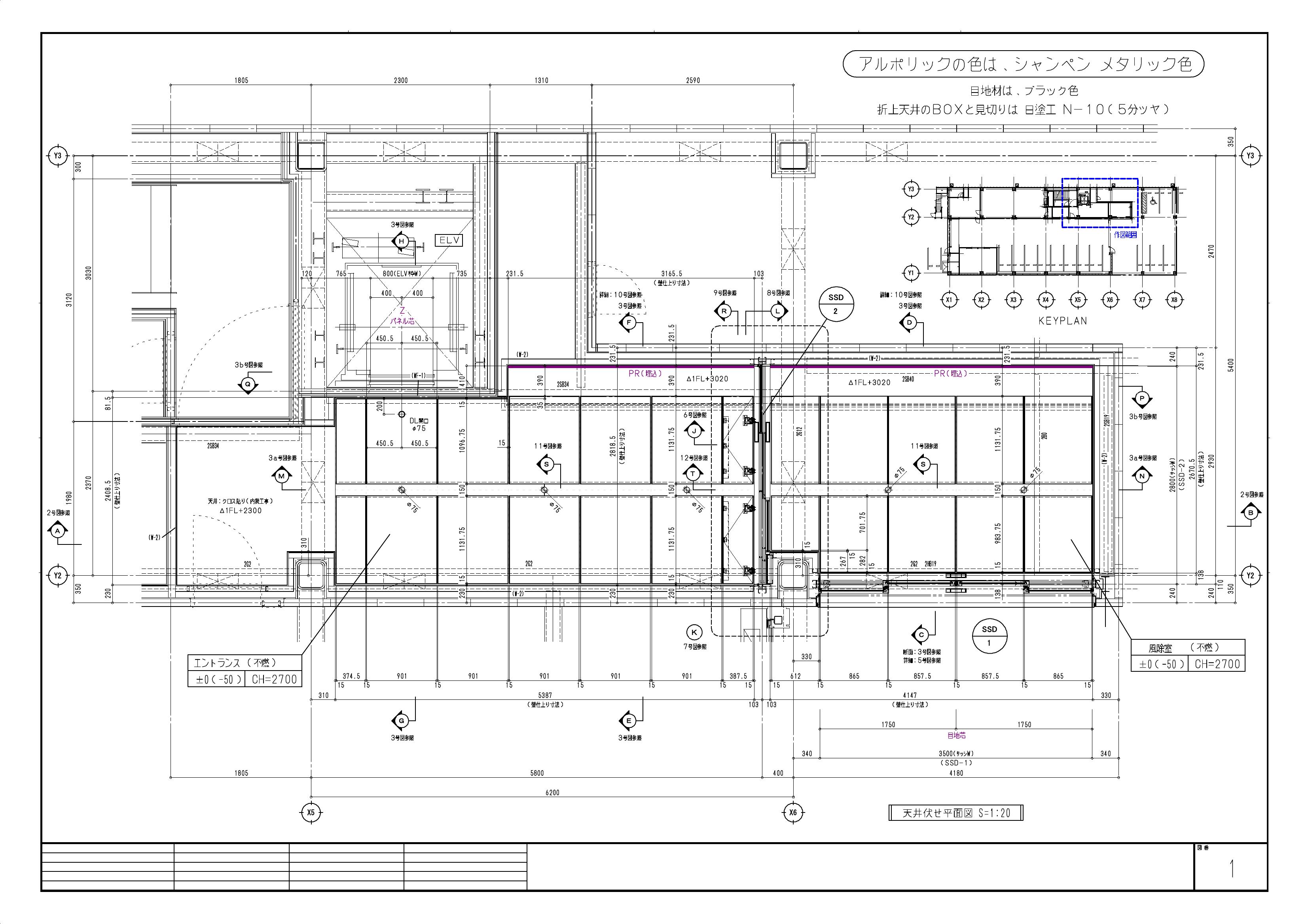
/06_天井アルポリックパネル/01.jpg)
既製品(製作複合図)
天井アルポリックパネル
詳細図面をご確認いただけます。
15 ページPNG
/07_天井アルポリックパネル/01.jpg)
既製品(製作複合図)
天井アルポリックパネル
詳細図面をご確認いただけます。
14 ページPNG
3D検証

3D検証
3D検証
詳細図面をご確認いただけます。
6 ページPNG





